Vỏ Chắn Bức Xạ Cho Trạm Thời Tiết Tự Làm

Tấm chắn bức xạ này dành cho trạm thời tiết DIY, phù hợp với các module cảm biến phổ biến và PCB phụ trợ. Yêu cầu lắp đặt các bộ phận ren nóng bằng đồng thau và có thể cần điều chỉnh phần gắn kết. In bằng PET-G với cài đặt được đề xuất. Bao gồm danh sách chi tiết các thành phần và công cụ cần thiết.

👁️
65
Lượt Xem
❤️
3
Lượt Thích
📥
5
Lượt Tải
Cập Nhật Dec 19, 2025
Chi tiết
Tải xuống
Bình Luận
Khoe bản in
Remix

Mô tả

Cái vỏ này được thiết kế để gắn các cảm biến môi trường/thời tiết (ví dụ: cảm biến Nhiệt độ, Độ ẩm và Áp suất không khí) và chứa một PCB 3 x 7cm cho một module điện tử phụ trợ.

Các chi tiết gắn cảm biến được thiết kế đặc biệt cho các module phổ biến trên AliExpress, như sự kết hợp AHT20 + BMP280.

Độ khó: Nâng cao

  • Các loại ốc ren nóng bằng đồng thau yêu cầu lắp đặt cẩn thận và chính xác.
  • Phần gắn lan can hiện tại có thể cần được thiết kế lại cho phù hợp với nhu cầu của bạn.
  • Việc gắn cảm biến có thể cần thiết kế lại.

Cài đặt In Ưu tiên

  • Vật liệu: PET-G (đã thử nghiệm)
  • Infill: 30% dạng rectilinear
  • Perimeters: 3 (1.2mm)
  • Độ dày lớp: 0.1mm
  • Các lớp solid: 12 (1.2mm)
  • Supports: không cần
  • Đường kính vòi phun: 0.4mm

Phụ kiện bổ sung cần thiết

  • Ba thanh ren thép không gỉ M4, dài 250mm
  • Ba vòng đệm phẳng bằng thép không gỉ M4
  • Ba đai ốc thép không gỉ M4
  • Mười bộ ren nóng bằng đồng thau M4 x 4 x 6mm
  • Ba vít đầu tròn M4 x 20mm
  • Bốn vít đầu tròn M4 x 65mm (cho thiết kế mẫu gắn lan can)
  • Vít, vòng đệm và đai ốc để gắn cảm biến
  • Các cảm biến môi trường/thời tiết
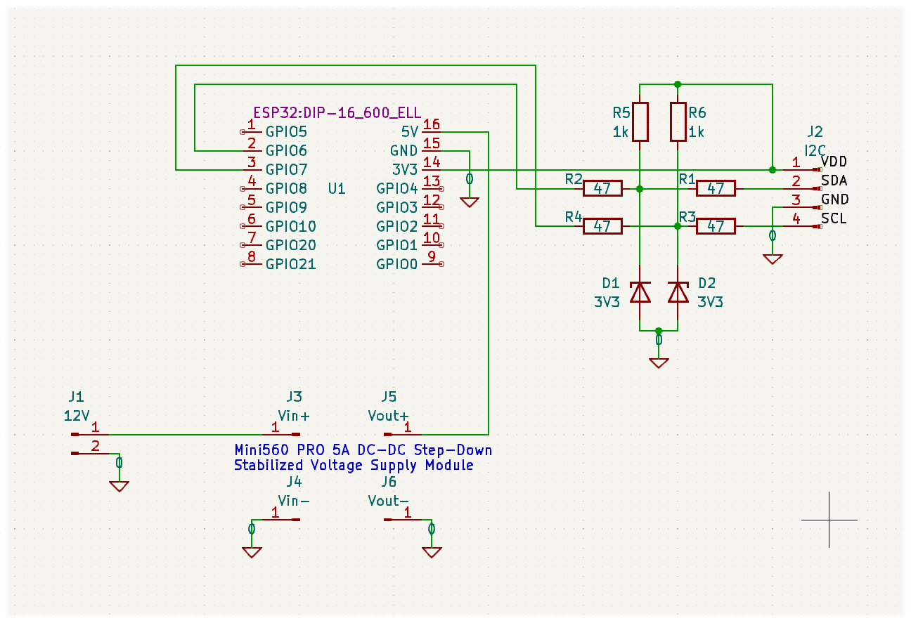
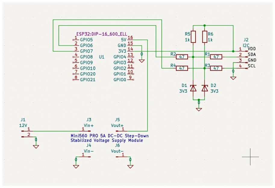
  • Module điện tử trạm thời tiết 3x7cm (ví dụ: ESP32-C3 SuperMini, mạch bảo vệ I2C, Module nguồn ổn áp DC-DC Step-Down Mini560 PRO 5A)

Dụng cụ bổ sung

  • Dụng cụ lắp ren nóng

Cảnh báo!

  • Không sử dụng vít đầu chìm! Chỉ sử dụng vít có bề mặt tỳ phẳng (hoặc mặt dưới phẳng)!

Giấy phép

Tác phẩm này được cấp phép theo

Creative Commons — Public Domain

CC0

Không yêu cầu ghi công
Remix & phái sinh Được phép
Sử dụng thương mại Được phép

File mô hình

TẤT CẢ FILE MÔ HÌNH (9 Tập tin)
Đang tải files, vui lòng chờ...
Vui lòng đăng nhập để bình luận.

Chưa có bình luận nào. Hãy là người đầu tiên!

Vui lòng đăng nhập để khoe bản in của bạn.

Chưa có bản in nào được khoe. Hãy là người đầu tiên!

Remix (0)