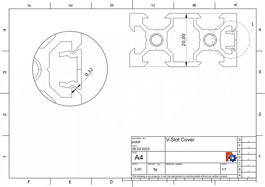
Nắp Che Thanh V-Slot

Tấm che dạng snap-in cho thanh nhôm V-Slot 2020. Tối ưu hóa cho in vase mode với đầu phun 0.4mm. Có thể tùy chỉnh bằng FreeCAD. Sử dụng PETG để có độ bền và linh hoạt tốt. Lưu ý về chiều cao tối đa để đảm bảo độ khớp.

👁️
1.9K
Lượt Xem
❤️
53
Lượt Thích
📥
502
Lượt Tải
Cập Nhật Dec 03, 2025
Chi tiết
Tải xuống
Bình Luận
Khoe bản in
Remix

Mô tả

Đây là nắp che dạng snap-in cho các thanh V-Slot.

Nó được tối ưu hóa để in bằng chế độ vase (in xoắn ốc) với đầu phun 0.4mm. Nó sẽ đủ chắc chắn và linh hoạt nếu bạn sử dụng PETG. Sử dụng brim để bám dính tốt với bàn in và nếu làm mát đủ, nó sẽ in ổn mà không cần thời gian lớp tối thiểu.

Để có đường kính đầu phun khác và các tùy chỉnh khác, bạn có thể chỉnh sửa tệp .FCstd bằng FreeCAD (có một bảng tên là “Dimensions” và Mô hình sẽ tự động cập nhật nếu bạn sửa đổi một mục).

Tôi nhận thấy chiều cao tối đa hoạt động với SUNLU PETG mà tôi đã sử dụng là khoảng 80mm, vì vậy các tệp mô hình có chiều cao này. Cao hơn nữa thì chi tiết sẽ bị cong quá nhiều trong quá trình in, dẫn đến mất chi tiết, từ đó không khớp hoàn hảo với thanh profile.

Cuối cùng, tệp được cắt sẵn dành cho Revo Hemera với đầu phun 0.4mm trên Ender 3.

Chỉnh sửa: Có vẻ như @Tascanis_1277847 cũng đã đạt được kết quả tốt khi in với mặt trước úp xuống bàn in. Tôi chưa thử in theo hướng đó, nhưng bạn có thể thử xem sao.

Thông báo bản quyền:

Thanh profile V-Slot trong tệp .FCstd, được sử dụng để lấy kích thước, đã được lấy từ GitHub của Creality3DPrinting và được cấp phép theo Giấy phép Công cộng GNU Phiên bản 3.0.

Giấy phép

Tác phẩm này được cấp phép theo

Creative Commons — Attribution

CC-BY

Yêu cầu ghi công
Remix & phái sinh Được phép
Sử dụng thương mại Được phép

File mô hình

TẤT CẢ FILE MÔ HÌNH (5 Tập tin)
Đang tải files, vui lòng chờ...
Vui lòng đăng nhập để bình luận.

Chưa có bình luận nào. Hãy là người đầu tiên!

Vui lòng đăng nhập để khoe bản in của bạn.

Chưa có bản in nào được khoe. Hãy là người đầu tiên!

Remix (0)