Lọc rác hồ cá (Aquarium strainer)

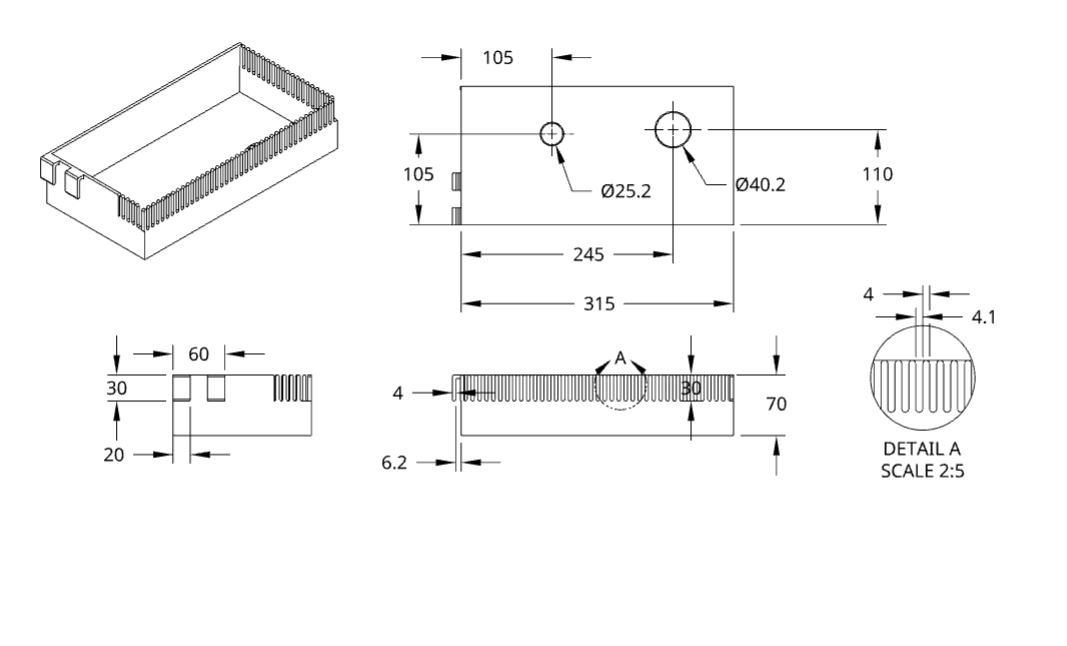
Cái hộp lọc này dùng để đặt lên hai ống và cạnh kính hồ cá, giúp lọc nước tràn. Móc được thiết kế phù hợp với kính dày 6mm, bạn có thể xem chi tiết kích thước trong bản vẽ.

👁️
919
Lượt Xem
❤️
14
Lượt Thích
📥
25
Lượt Tải
Cập Nhật Dec 10, 2025
Chi tiết
Tải xuống
Bình Luận
Khoe bản in
Remix

Mô tả

Cái hộp có các ống lọc thì đặt lên hai cái ống và cạnh kính hồ cá. Móc được thiết kế để gắn vừa với kính dày 6mm. Kích thước có trong bản vẽ đính kèm.

Mô hình được tạo bằng Onshape và có thể truy cập tại đây: https://cad.onshape.com/documents/86077ff6ee2d6032c111bd1c/w/8e7cb5555587712cd57e06a3/e/8acbecd2d217225de38f2a18?renderMode=0&uiState=65c92eb4cdcb937789a1d54c

Giấy phép

Tác phẩm này được cấp phép theo

Creative Commons — Attribution — Share Alike

CC-BY-SA

Yêu cầu ghi công
Remix & phái sinh Được phép
Sử dụng thương mại Được phép

File mô hình

TẤT CẢ FILE MÔ HÌNH (3 Tập tin)
Đang tải files, vui lòng chờ...
Vui lòng đăng nhập để bình luận.

Chưa có bình luận nào. Hãy là người đầu tiên!

Vui lòng đăng nhập để khoe bản in của bạn.

Chưa có bản in nào được khoe. Hãy là người đầu tiên!

Remix (0)