Bản Vẽ CAD Khung Ray Dẫn Hướng Tuyến Tính X-Gantry Creality Ender 3

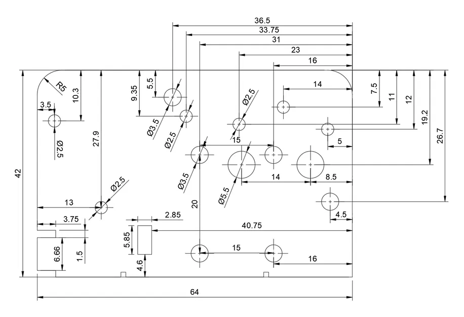
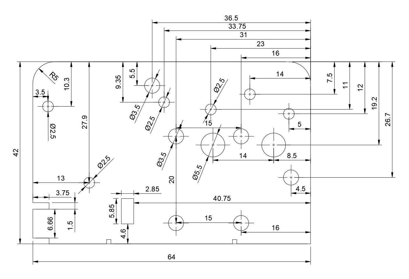
Bản vẽ CAD cho khung X-gantry gắn ray MGN12C của bộ kit ray dẫn hướng tuyến tính Creality Ender 3. Dùng để thiết kế phụ kiện che đầu phun, không dành để in 3D. Có tệp thử nghiệm và định dạng STEP.

👁️
972
Lượt Xem
❤️
26
Lượt Thích
📥
267
Lượt Tải
Cập Nhật Dec 05, 2025
Chi tiết
Tải xuống
Bình Luận
Khoe bản in
Remix

Mô tả

Bản vẽ CAD và sơ đồ cho khung X-gantry gắn vào ray MGN12C từ bộ ray dẫn hướng tuyến tính chính hãng Creality Ender 3 (https://store.creality.com/products/linear-guide-rail-kit).

Mô hình này không nhằm mục đích in 3D. Nó được tạo ra để hỗ trợ thiết kế các bộ phận che đầu phun (hotend shroud) và các phụ kiện cần gắn vào tấm thép gốc.

Ghi chú

  • Mô hình được tạo ra bằng cách đo đạc thủ công bằng thước kẹp. Mặc dù các vị trí đo đạc tương đối chính xác và sử dụng các giá trị tròn, phương pháp sản xuất có thể gây ra sai lệch và bộ ray của bạn có thể khác với thiết kế này.
  • Một tệp thử nghiệm được cung cấp, bạn có thể in ra để dễ dàng kiểm tra vị trí các chi tiết trên bộ ray của mình. Bản in này có tích hợp sẵn độ lệch cho các chốt gắn đầu phun, nên bạn không cần phải chỉnh sửa độ giãn ngang.
  • Kho lưu trữ này không bao gồm khung gắn cho extruder Sprite.
  • Có hai loại lỗ được sử dụng trong khung này. Lỗ 2.5 mm được tiện ren M3. Lỗ 3.5 mm là lỗ khoan thông thường.
  • Mô hình Fusion 360 gốc chứa các bản phác thảo ban đầu và phần thân của bản in thử nghiệm. Ngoài ra, một tệp STEP được cung cấp để nhập vào các phần mềm mô hình hóa khác.

Giấy phép

Tác phẩm này được cấp phép theo

Creative Commons — Attribution — Noncommercial

CC-BY-NC

Yêu cầu ghi công
Remix & phái sinh Được phép
Sử dụng thương mại Không được phép

File mô hình

TẤT CẢ FILE MÔ HÌNH (4 Tập tin)
Đang tải files, vui lòng chờ...
Vui lòng đăng nhập để bình luận.

Chưa có bình luận nào. Hãy là người đầu tiên!

Vui lòng đăng nhập để khoe bản in của bạn.

Chưa có bản in nào được khoe. Hãy là người đầu tiên!

Remix (0)