Mẫu kiểm tra độ phân giải và độ chính xác máy quét 3D

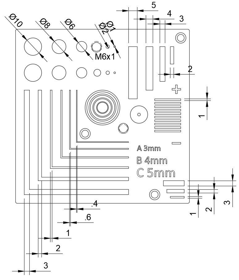
Đây là mô hình thử nghiệm dùng để kiểm tra độ phân giải và độ chính xác của máy quét 3D, được tạo ra từ bài đánh giá của tác giả. Kích thước 100x100mm, độ dày thành tối thiểu 0.4mm, in bằng PLA với lớp cao 0.1mm.

👁️
1.1K
Lượt Xem
❤️
25
Lượt Thích
📥
99
Lượt Tải
Cập Nhật Dec 15, 2025
Chi tiết
Tải xuống
Bình luận
Showcase
Remixes

Mô tả

Mô hình thử nghiệm để quét từ bài đánh giá của mình: https://3dtoday.ru/blogs/cebepl/sravnenie-3d-skanerov-creality-cr-scan-ferret-i-revopoint-mini

Kích thước: 100x100mm

Độ dày tối thiểu: 0.4mm

PLA, kích thước lớp: 0.1mm

Giấy phép

Tác phẩm này được cấp phép theo

Creative Commons Attribution-NonCommercial 4.0 International

Attribution-NonCommercial

Yêu cầu ghi công
Văn hóa Remix Được phép
Sử dụng thương mại Không được phép
Tác phẩm phái sinh Được phép
Được phép chia sẻ

Model files

ALL MODEL FILES (2 files)
Loading files, please wait...
Vui lòng đăng nhập để bình luận.

Chưa có bình luận nào. Hãy là người đầu tiên!

Vui lòng đăng nhập để khoe bản in của bạn.

Chưa có bản in nào được khoe. Hãy là người đầu tiên!

Remixes (0)