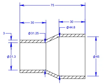
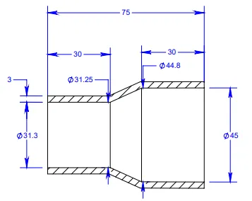
Bộ giảm ống hút Vac từ 1.875 inch xuống 1.25 inch

1,875 inch đến 1,25 Bộ giảm ống Vac. Cần thêm chiều dài trong Woodshop. Không muốn mua thêm vòi.

👁️
224
Lượt Xem
❤️
5
Lượt Thích
📥
47
Lượt Tải
Cập Nhật Nov 18, 2025
Chi tiết
Tải xuống
Bình Luận
Khoe bản in
Remix

Mô tả

Nội dung được dịch bằng AI

Trường hợp sử dụng

Muốn sử dụng một đầu in khác trên máy chà nhám trong xưởng gỗ. Máy hút bụi lớn của tôi cách máy chà nhám hơn 10 ft. Quyết định thay vì mua 20 ft ống hút bụi, tôi có thể giảm và ghép hai ống lại với nhau.

In tốt nhất theo chiều dọc.

Đầu phun .4 chiều cao .2. hình nón nhẹ để giúp siết chặt mọi thứ lại.

Vui lòng thích nó nếu bạn thích

Sự hài lòng của bạn là phần thưởng của tôi. Vui lòng cho thiết kế này một lượt thích nếu bạn thích nó, hoặc đăng một bức ảnh về sản phẩm của bạn, điều đó thực sự làm cho ngày của tôi thêm vui!

Chúc bạn in ấn vui vẻ!

Giấy phép

Tác phẩm này được cấp phép theo

Creative Commons — Attribution — Noncommercial — Share Alike

CC-BY-NC-SA

Yêu cầu ghi công
Remix & phái sinh Được phép
Sử dụng thương mại Không được phép

File mô hình

TẤT CẢ FILE MÔ HÌNH (1 Tập tin)
Đang tải files, vui lòng chờ...
Vui lòng đăng nhập để bình luận.

Chưa có bình luận nào. Hãy là người đầu tiên!

Vui lòng đăng nhập để khoe bản in của bạn.

Chưa có bản in nào được khoe. Hãy là người đầu tiên!

Remix (0)