Móc Khóa NFC Hình Giọt Nước

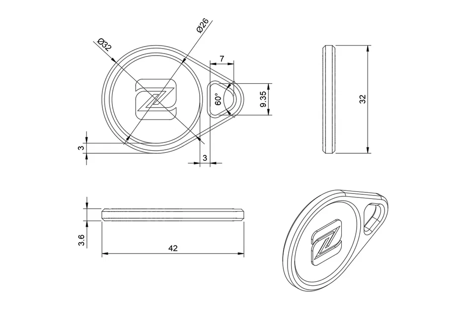
Móc khóa NFC hình giọt nước độc đáo, có thể nhét chip NFC 25mm vào trong lúc in. Mô hình có khoang chứa 26mm x 1mm, tương thích với nhiều loại NFC tag PVC và sticker. Hướng dẫn chi tiết cách lắp ráp và in ấn, bao gồm cả việc sử dụng lệnh tạm dừng và tính năng Thick Bridges để có kết quả tốt nhất.

👁️
2.9K
Lượt Xem
❤️
78
Lượt Thích
📥
805
Lượt Tải
Cập Nhật Dec 18, 2025
Chi tiết
Tải xuống
Bình Luận
Khoe bản in
Remix

Mô tả

Móc khóa NFC hình giọt nước đơn giản, có thể nhét chip NFC vào trong lúc in (tương thích với sticker NFC 25mm và thẻ coin PVC).

Mô hình này có một khoang bên trong rộng 26mm và sâu 1mm, nơi bạn đặt chip NFC vào khi in. Điều này giúp mô hình tương thích với hầu hết các loại NFC tag 25mm. Đã được thử nghiệm với:

Phần lõm ở mặt trước của phiên bản trống của móc khóa có thể chứa một miếng dán tròn 25mm, nếu bạn muốn in hoặc thêm nhãn tùy chỉnh cho NFC tag của mình.

Lắp ráp

Khi slice mô hình, bạn cần thêm lệnh tạm dừng (pause) ngay sau khi hoàn thành lớp thứ 2mm (xem cách thêm lệnh tạm dừng tại lớp cụ thể trong Prusa Slicer tại đây). Khi thêm lệnh tạm dừng trong Prusa Slicer, hãy đảm bảo chọn lớp ngay sau đó (ví dụ: 2.20mm ở độ cao lớp 0.20mm, 2.10mm ở 0.10mm,...) vì lệnh tạm dừng sẽ thực thi vào đầu lớp được chọn.

Sau khi lệnh tạm dừng được thực thi (khoảng 10 phút sau khi bắt đầu in ở độ cao lớp 0.20mm trên máy Prusa i3 MK3), bạn sẽ có thể đặt thẻ NFC hoặc dán sticker NFC vào phần lõm ở giữa mô hình. Sau đó, tiếp tục in và máy in của bạn sẽ tự động tạo cầu nối (bridge) qua khoảng trống mà không gặp vấn đề gì.

In ấn

Mô hình nên được in úp xuống, với độ cao lớp là 0.20mm (mô hình được thiết kế sao cho phần khoang chứa NFC tag và logo thẳng hàng với giá trị này, tuy nhiên độ cao lớp 0.10mm hoặc 0.05mm vẫn ổn).

Như đã đề cập trước đó, bạn nên thêm lệnh tạm dừng sau khi hoàn thành lớp thứ 2.00mm để có thể đặt NFC tag vào.

Tôi cũng khuyên bạn nên bật tính năng Thick Bridges để đảm bảo khoảng trống phía trên chip NFC được in một cách gọn gàng.

  • Raft: không
  • Supports: không
  • Layer Height: 0.20mm
  • Infill: 100%
  • Thick bridges: nên bật

Giấy phép

Tác phẩm này được cấp phép theo

Creative Commons — Attribution — Share Alike

CC-BY-SA

Yêu cầu ghi công
Remix & phái sinh Được phép
Sử dụng thương mại Được phép

File mô hình

TẤT CẢ FILE MÔ HÌNH (12 Tập tin)
Đang tải files, vui lòng chờ...
Vui lòng đăng nhập để bình luận.

Chưa có bình luận nào. Hãy là người đầu tiên!

Vui lòng đăng nhập để khoe bản in của bạn.

Chưa có bản in nào được khoe. Hãy là người đầu tiên!

Remix (0)