TEST: Độ chính xác máy in 3D

Kiểm tra độ chính xác máy in 3D bằng phương pháp 6 Sigma. File Excel hỗ trợ tính toán khoảng dung sai cho máy in của bạn. Hướng dẫn chi tiết cách thực hiện và các yếu tố ảnh hưởng để đánh giá độ chính xác và khả năng lặp lại.

👁️
344
Lượt Xem
❤️
4
Lượt Thích
📥
23
Lượt Tải
Cập Nhật Dec 13, 2025
Chi tiết
Tải xuống
Bình luận
Showcase
Remixes

Mô tả

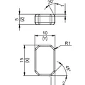
Đây là bài test dùng để đánh giá độ chính xác của máy in 3D.

Bài test sử dụng phương pháp 6 Sigma, một phương pháp thống kê nhằm xác định sự biến thiên trong quy trình sản xuất.

Bạn sẽ tìm thấy một file Excel hỗ trợ để tính toán khoảng dung sai của máy in 3D của mình.

Bạn có thể tùy chỉnh file này cho phù hợp với nhu cầu.

Lời khuyên cho lần đánh giá đầu tiên về độ chính xác và khả năng lặp lại của máy in:

  • In lần lượt từng khối;
  • Số lượng khối cần in khoảng 30 đến 40;
  • Bài test phụ thuộc vào các thông số in của bạn (tốc độ, đường kính đầu phun, v.v.);
  • Bài test phụ thuộc vào máy và các cài đặt của nó (đặc biệt là bàn in, firmware, v.v.);
  • Việc đo đạc phải được thực hiện bằng dụng cụ đo phù hợp (thước kẹp là tối thiểu);

This is a test for assessing the accuracy of a 3D printer.

The test employs the 6 Sigma methodology, a statistical approach aimed at determining the variability of manufacturing processes.

You will find a supporting Excel sheet that allows for calculating the tolerance interval of your 3D printer.

It is adaptable according to your needs.

Advice for an initial assessment of the accuracy and repeatability of your printer:

  • Sequential printing of blocks;
  • Quantity of blocks to print approximately 30 to 40;
  • The test is conditioned by your printing parameters (speed, nozzle diameter, etc.);
  • The test is conditioned by the machine and its settings (especially the bed, firmware, etc.);
  • Measurements should be taken with suitable measuring instruments (calipers at a minimum).

Giấy phép

Tác phẩm này được cấp phép theo

Creative Commons Zero v1.0 Universal

Public Domain Dedication

Không yêu cầu ghi công
Văn hóa Remix Được phép
Sử dụng thương mại Được phép
Tác phẩm phái sinh Được phép
Được phép chia sẻ

Model files

ALL MODEL FILES (3 files)
Loading files, please wait...
Vui lòng đăng nhập để bình luận.

Chưa có bình luận nào. Hãy là người đầu tiên!

Vui lòng đăng nhập để khoe bản in của bạn.

Chưa có bản in nào được khoe. Hãy là người đầu tiên!

Remixes (0)