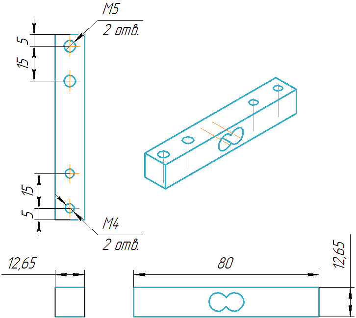
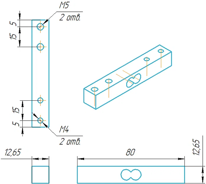
Phanh Tay PC Loadcell (Cập nhật tháng 11/2025)

Tự làm phanh tay (handbrake) cho PC dùng loadcell 20kg. Bản cập nhật tháng 11/2025, hỗ trợ simracing, rally với Arduino.

👁️
675
Lượt Xem
❤️
14
Lượt Thích
📥
83
Lượt Tải
Cập Nhật Dec 18, 2025
Chi tiết
Tải xuống
Bình Luận
Khoe bản in
Remix

Mô tả

Giấy phép

Tác phẩm này được cấp phép theo

Creative Commons — Attribution — Noncommercial

CC-BY-NC

Yêu cầu ghi công
Remix & phái sinh Được phép
Sử dụng thương mại Không được phép

File mô hình

TẤT CẢ FILE MÔ HÌNH (16 Tập tin)
Đang tải files, vui lòng chờ...
Vui lòng đăng nhập để bình luận.

Chưa có bình luận nào. Hãy là người đầu tiên!

Vui lòng đăng nhập để khoe bản in của bạn.

Chưa có bản in nào được khoe. Hãy là người đầu tiên!

Remix (0)